Product Summary
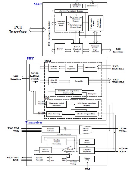
The RTL8111DL-GR is a highly integrated, cost-effective single-chip Fast Ethernet controller that provides 32-bit performance, PCI bus master capability, and full compliance with IEEE 802.3u 100Base-T specifications and IEEE 802.3x Full Duplex Flow Control. The RTL8111DL-GR also supports the Advanced Configuration Power management Interface (ACPI), PCI power management for modern operating systems that are capable of Operating System Directed Power Management (OSPM) to achieve the most efficient power management possible. To provide cost down support, the RTL8111DL-GR is capable of using a 25MHz crystal or OSC as its internal clock source.
Parametrics
RTL8111DL-GR specifications: (1)On the conditions of IOH= -8mA, VOH Minimum High Level Output Voltage: min=0.9 * Vcc V, max=Vcc V; (2)On the conditions of IOL= 8mA, VOL Maximum Low Level Output Voltage: max=0.1 * Vcc V; (3)VIH Minimum High Level Input Voltage: min=0.5 * Vcc, max=Vcc+0.5 V; (4)VIL Maximum Low Level Input Voltage: min=-0.5 V, max=0.3 * Vcc V; (5)On the conditions of VIN=VCC or GND, IIN Input Current: min=-1.0 μA, max=1.0 μA; (6)On the conditions of VOUT=VCC or GND IOZ Tri-State Output Leakage Current: min=-10 μA, max=10 μA; (7)On the conditions of IOUT=0mA, ICC Average Operating Supply Current: max=330 mA.
Features
RTL8111DL-GR features: (1)100 pin QFP/LQFP; (2)Integrated fast ethernet MAC, physical chip and transceiver in one chip; (3)10 Mb/s and 100Mb/s operation; (4)Supports 10 Mb/s and 100 Mb/s N-way auto-negotiation operation; (5)Supports loopback capability; (6)Half/full duplex capability; (7)Supports full duplex flow control; (8)2.5/3.3V power supply with 5V tolerant I/Os; (9)0.25μ CMOS process; (10)Includes a programmable, PCI burst size and early Tx/Rx threshold.
Diagrams

![]() |
![]() RTL8019AS |
![]() Other |
![]() |
![]() Data Sheet |
![]() Negotiable |
|
||||
![]() |
![]() RTL8019AS-LF |
![]() Other |
![]() |
![]() Data Sheet |
![]() Negotiable |
|
||||
![]() |
![]() RTL8139C(L) |
![]() Other |
![]() |
![]() Data Sheet |
![]() Negotiable |
|
||||
![]() |
![]() RTL8139C(L)+ |
![]() Other |
![]() |
![]() Data Sheet |
![]() Negotiable |
|
||||
![]() |
![]() RTL8139D(L) |
![]() Other |
![]() |
![]() Data Sheet |
![]() Negotiable |
|
||||
![]() |
![]() RTL8139D-GR |
![]() Other |
![]() |
![]() Data Sheet |
![]() Negotiable |
|
||||
(China (Mainland))








